Service Hotline
1.0μA|DFN12|3.7|DC-DC Regulator|VIN(V),VOUT(V),IOUT(mA),fo(kHz),Package|DC-DC Regulator|
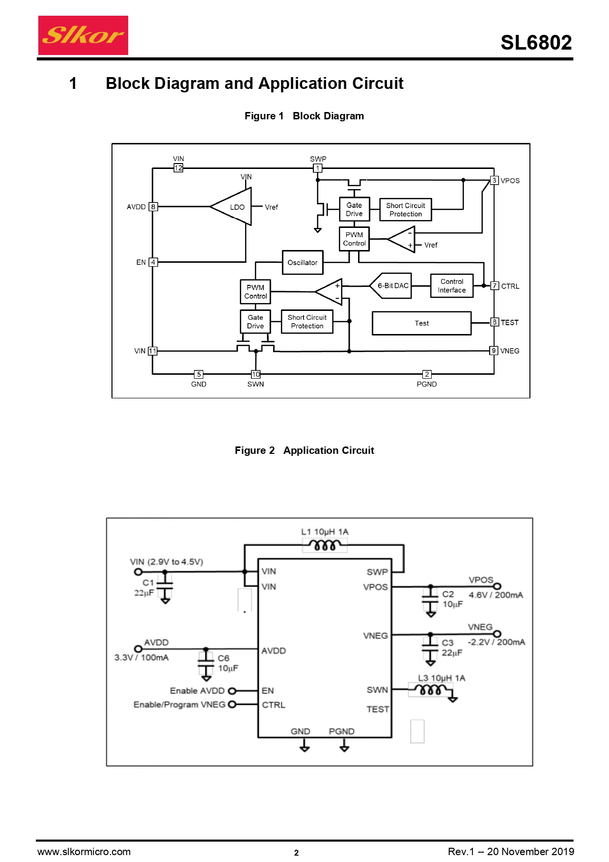
SL6802 DC-DC Converter DFN-12
Description
SL6802 is a triple DC-DC converter designed to drive AMOLED display panel requiring 3 supply rails. It integrates an 200mA step-up converter VPOS, an 200mA inverting converter VNEG and an 20mA auxiliary LDO AVDD.
The device is particularly suitable for battery operated products, in which the major concern is the overall system efficiency. The digital control allows programming the VNEG in digital steps.
Excellent line and load regulation, soft start with controlled inrush current limit, thermal shutdown and short circuit protection are also integrated.
Features
Operating input voltage range from 2.9V to 4.5V
Step-up converter (VPOS)
4.6V output voltage
200mA output current
0.5% accuracy (25°C to 85°C)
Inverting converter (VNEG)
-1.4V to -4.4V programmable output voltage (-2.2V default)
200mA output current
LDO (AVDD)
3.3V default or lower of Vin
20mA output current
Efficiencies >90%
Excellent line and load regulation
Short circuit protection
Thermal shutdown
Applications
AMOLED power supply in portable devices like mobile phones, multi-media players, camcorders, digital still cameras, and wearables.











Support
If you need design/technical support, please let us know and fill inResponse FormWe will get back to you as soon as possible.
Longevity
The Longevity Program is aimed to provide our customers information from time to time about the expected time that our products can be ordered. The NLP is reviewed and updated regularly by our executive Management Team. View ourlongevity programhere.





